关于我们
公司简介
企业文化
合作伙伴
行业应用
大功率照明
电动两轮车
服务器电源
电机驱动
无人机
其他
产品中心
GaN HETM器件
GaN 电源
氮化镓方案
新闻中心
公司新闻
行业动态
联系我们
关于我们
公司简介
企业文化
合作伙伴
行业应用
产品中心
GaN HETM器件
GaN 电源
氮化镓方案
新闻中心
公司新闻
行业动态
联系我们
APPLICATION
行业应用
Home
行业应用
我们的应用方案及氮化镓应用方案能够覆盖全功率范围,可以满足从几十瓦到上千瓦的各种应用,产品性能表现优异,功能全面,性价比高,广泛适用于消费电子、工业应用、电动汽车、数据中心、医疗、通讯等诸多领域。
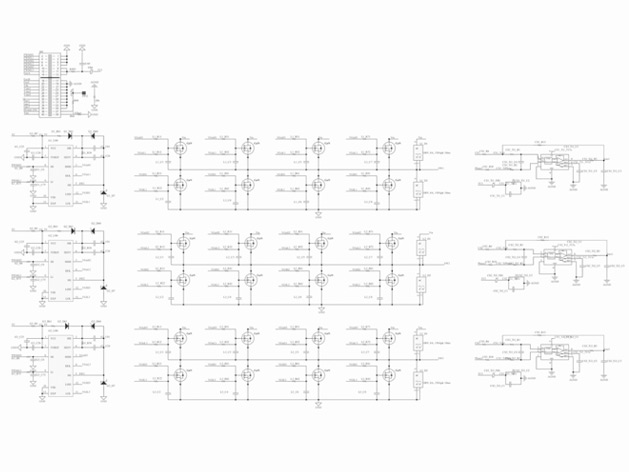
电机驱动
效率提升;
高功率密度,更小体积系统;
高动态响应,控制性能;
应用领域:
电动两轮车、机器人;
应用潜力:
新能源汽车;
关于我们
公司简介
企业文化
合作伙伴
行业应用
产品中心
GaN HETM器件
GaN 电源
氮化镓方案
新闻中心
公司新闻
行业动态
联系我们
Copyright © 2025 苏州镓创晶合科技有限公司 备案号:
苏ICP备2024103633号-1
XML
邮箱
zhanghao@semi-casi.com
抖音
微信
置顶